穿轴式张力传感器是一种专为监测线材、薄膜、带材等连续材料张力而设计的力传感器,其核心结构为轴状受力主体,材料通过轴体中心或环绕轴体运行时,张力直接作用于轴上,传感器将力学信号转化为电信号输出。
广泛应用于线缆生产、薄膜加工、纺织工业、科研实验、印刷包装、海洋工程、自动化生产线、农业渔业、机器人等领域。


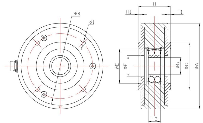
传感器接线示意图: 传感器受力图:


| 参 数 | 技术参数 | 参 数 | 技术参数 |
| 量程 | 30kg~3000kg | 输出电阻 | 350±5Ω |
| 输出灵敏度 | 1.5±0.05mV/V | 工作温度范围 | -20~+70℃ |
| 非线性 | ±0.5%F.S. | 安全过载 | 150%F·S |
| 滞后误差 | ±0.5%F.S. | 绝缘电阻 | ≥2000MΩ |
| 重复性误差 | ±0.5%F.S. | 激励电压 | 5V~12V |
| 蠕变 | ±0.5%F.S. | 防护等级 | IP65 |
| 零点温度系数 | ±0.1%F.S./10℃ | 材质 | 合金钢 |
| 灵敏度温度系数 | ±0.1%F.S./10℃ | 线缆 | Φ5x3m |
| 输入电阻 | 380±30Ω |
1.隆旅为客户提供安装调试服务,以及其他技术咨询,必要时技术人员可上门提供技术培训。客户如有技术上疑问,技术人员将在4个小时内给出回复。
2.隆旅产品严格按照ISO9001国际质量体系设计生产,传感器产品质保1年.仪表类产品质保3年,7天退换货,终身维修。(人为损坏不在质保范围,定制产品无质量问题不退不换。)
3.因质量问题造成的退换货,隆旅将承担退换货运费。非质量问题退换货费用将由客户承担。
注:质量问题是指功能,尺寸、指标、安装方式等定制参数未按照客户提出的要求定制,功能不符,尺寸误差,精度不准(误差范围内除外)。
定制产品需双方确认图纸后加工生产,如产品不符合客户要求需在二周内提出书面异议,客户未按规定期限提出异议视为验收合格。
如在期限内提出异议,双方确认后确属产品质量问题或未按双方确认后的要求生产,可调换或退款。如无质量问题,且发货型号与合同签订型号完整无误,则不提供退换货服务。
4. 返厂维修的产品将在3个工作日内出具检测结果,7个工作日内完成维修。
售后咨询
技术咨询、返厂维修、发票、投诉建议等相关问题。售后服务热线021-51601181
地址:上海市宝山区顾村镇沪太路5018号梓坤科技园1号楼910室
24小时全国热线:400-7282-986
售前咨询热线:021-51602986
售后咨询热线:021-51601181
企业公众号
企业抖音号
企业视频号
企业微博
企业小红书