二维力传感器是一种能够同时测量多个方向上的力或力矩的传感器。基于电阻应变片的传感器,利用电阻应变片在受力时电阻发生变化的特性,将力或力矩转换为电信号。具有高刚度,高自然频率,高耐载能力,适用于动态测量。结构紧凑,安装方便,占用空间小。产品价格较高,需要我司提供专业的校准和维护指导。受到温度、湿度、电磁需要进行补偿或屏蔽。测量信号可能存在串扰或非线性,我司干扰等环境因素的影响,可进行校正或解耦。
广泛应用于工业自动化、机器人、医疗、科研、智能装备、航空航天等领域。

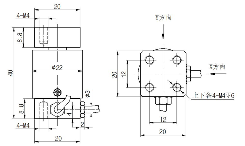
传感器接线示意图: 传感器受力图:


主要技术参数
| 测量范围 | 0~20,40kg |
| 综合精度 | ±0.1%FS;±0.2%FS |
| 输出灵敏度 | 1~1.5mV/V±10%F.S. |
| 零点温度范围 | ±0.03%FS |
| 满度温度影响 | ±0.03%FS |
| 补偿温度范围 | -10~60℃ |
| 工作温度范围 | -20~75℃ |
| 供电电压 | 5~10VDC |
| 输入电阻 | 350±20Ω |
| 输出电阻 | 350±10Ω |
| 响应频率 | 100μS |
| 绝缘电阻 | ≥2000MΩ/100VDC |
| 安全超载 | 150% F.S |
| 极限超载 | 200% F.S |
| 电缆线尺寸 | Φ3×3m |
| 材质 | 17-4PH不锈钢、合金钢或铝合金 |
1.隆旅为客户提供安装调试服务,以及其他技术咨询,必要时技术人员可上门提供技术培训。客户如有技术上疑问,技术人员将在4个小时内给出回复。
2.隆旅产品严格按照ISO9001国际质量体系设计生产,传感器产品质保1年.仪表类产品质保3年,7天退换货,终身维修。(人为损坏不在质保范围,定制产品无质量问题不退不换。)
3.因质量问题造成的退换货,隆旅将承担退换货运费。非质量问题退换货费用将由客户承担。
注:质量问题是指功能,尺寸、指标、安装方式等定制参数未按照客户提出的要求定制,功能不符,尺寸误差,精度不准(误差范围内除外)。
定制产品需双方确认图纸后加工生产,如产品不符合客户要求需在二周内提出书面异议,客户未按规定期限提出异议视为验收合格。
如在期限内提出异议,双方确认后确属产品质量问题或未按双方确认后的要求生产,可调换或退款。如无质量问题,且发货型号与合同签订型号完整无误,则不提供退换货服务。
4. 返厂维修的产品将在3个工作日内出具检测结果,7个工作日内完成维修。
售后咨询
技术咨询、返厂维修、发票、投诉建议等相关问题。售后服务热线021-51601181
地址:上海市宝山区顾村镇沪太路5018号梓坤科技园1号楼910室
24小时全国热线:400-7282-986
售前咨询热线:021-51602986
售后咨询热线:021-51601181
企业公众号
企业抖音号
企业视频号
企业微博
企业小红书