上海隆旅电子科技有限公司

当前位置:隆旅电子 > 六维力传感器 > MFL-605六维力传感器

MFL-605六维力传感器

技术特点:

采用高强度航空铝合金制作

尺寸小,重量轻,强度高

高分辨率,高响应频率

耐折弯高柔性线缆


  • 简介及用途

          六维力传感器采用高强度航空铝合金制作,具有尺寸小,重量轻,强度高特点,采用国际高水准应变计芯片,可实现高分辨率,高响应频率,高测试精度点100%,自主的结构设计,出厂经过精心测试,耦合精度极高多种通信接口协议可以选择,基本覆盖国内外主流的协作机器人接口:提供调试软件或测试软件;耐折弯高柔性线缆。

           广泛应用于工业机器人、制造、仿生与医疗、航空航天、科研实验等领域。


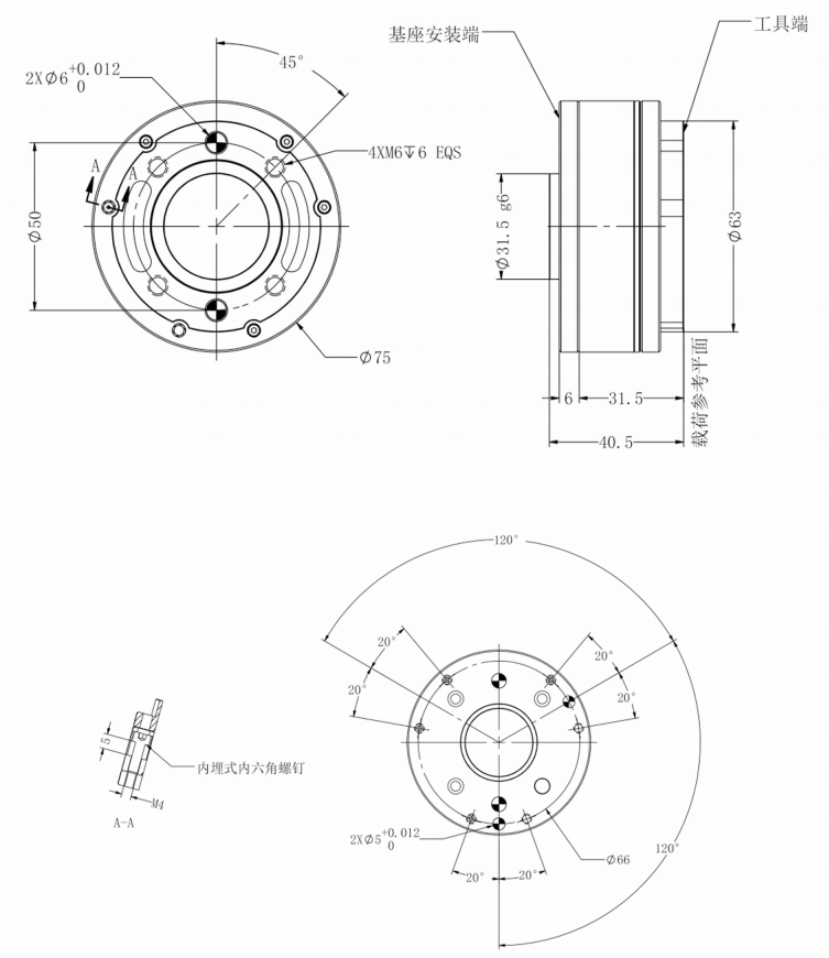
  • 结构与外形尺寸


  • 参数指标

    image


  • 购买流程

    零售: 联系客服-咨询产品参数-确认产品型号-付款-物流发货-签收

    大客户: 联系客服-咨询行业解决方案-确认产品型号参数-签订相关技术合同-付款-物流发货-签收



  • 售后保证及调试培训

    1.隆旅为客户提供安装调试服务,以及其他技术咨询,必要时技术人员可上门提供技术培训。客户如有技术上疑问,技术人员将在4个小时内给出回复。

    2.隆旅产品严格按照ISO9001国际质量体系设计生产,传感器产品质保1年.仪表类产品质保3年,7天退换货,终身维修。(人为损坏不在质保范围,定制产品无质量问题不退不换。)

    3.因质量问题造成的退换货,隆旅将承担退换货运费。非质量问题退换货费用将由客户承担。
    注:质量问题是指功能,尺寸、指标、安装方式等定制参数未按照客户提出的要求定制,功能不符,尺寸误差,精度不准(误差范围内除外)。
    定制产品需双方确认图纸后加工生产,如产品不符合客户要求需在二周内提出书面异议,客户未按规定期限提出异议视为验收合格。
    如在期限内提出异议,双方确认后确属产品质量问题或未按双方确认后的要求生产,可调换或退款。如无质量问题,且发货型号与合同签订型号完整无误,则不提供退换货服务。

    4. 返厂维修的产品将在3个工作日内出具检测结果,7个工作日内完成维修。

    售后咨询

    技术咨询、返厂维修、发票、投诉建议等相关问题。售后服务热线021-51601181



  • 地址:上海市宝山区顾村镇沪太路5018号梓坤科技园1号楼910室

  • 24小时全国热线:400-7282-986

  • 售前咨询热线:021-51602986

  • 售后咨询热线:021-51601181

企业公众号
企业抖音号
企业视频号
企业微博
企业小红书
Copyright © 2010-2024 上海隆旅电子科技有限公司 版权所有 沪ICP备13031399号-6
cache
Processed in 0.005522 Second.