溅射薄膜压力传感器采用原装进口薄膜压力敏感元件。采用离子束溅射技术直接淀积在17-4PH弹性元件上(SiO2保护层、NiCr合金电阻层、Au焊盘,总厚度小于4um),刻蚀形成金属应变电阻,彻底实现敏感元件无机的一体化,克服了有机胶带来的蠕变、滞后和老化现象,大大提高了产品的精度和长期稳定性,可长期在-40~150℃工作温度下稳定工作。 长期稳定性好,工作温度范围宽,温漂小,抗振动,抗冲击,不锈钢结构,激光焊接,外形尺寸小,结构紧凑,适用石油测井、内燃机、装载机、试验机等高温高压恶劣环境的测量

| 量程 | 0~5,10,20,40,60,100MPa |
| 供电电源 | 10DCV(6~12DCV) |
| 输出 | 1,1.5,2mV/V |
| 精度 | 0.1%F·S,0.2%F·S |
| 输出阻抗 | 3.5KΩ±500Ω |
| 介质温度 | -40~125,150℃ |
| 环境温度 | -20~125,150℃ |
| 绝缘电阻 | 大于2000MΩ(100VDC) |
| 密封等级 | IP65 |
| 长期稳定性能 | 在机械振动频率20Hz~1000Hz内,输出变化小于0.1%FS |
| 电气接口 | 高温引出线 |
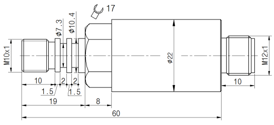
| 机械连接 | M10×1 ,M12×1,其它螺纹可依据客户要求设计 |
1.隆旅为客户提供安装调试服务,以及其他技术咨询,必要时技术人员可上门提供技术培训。客户如有技术上疑问,技术人员将在4个小时内给出回复。
2.隆旅产品严格按照ISO9001国际质量体系设计生产,传感器产品质保1年.仪表类产品质保3年,7天退换货,终身维修。(人为损坏不在质保范围,定制产品无质量问题不退不换。)
3.因质量问题造成的退换货,隆旅将承担退换货运费。非质量问题退换货费用将由客户承担。
注:质量问题是指功能,尺寸、指标、安装方式等定制参数未按照客户提出的要求定制,功能不符,尺寸误差,精度不准(误差范围内除外)。
定制产品需双方确认图纸后加工生产,如产品不符合客户要求需在二周内提出书面异议,客户未按规定期限提出异议视为验收合格。
如在期限内提出异议,双方确认后确属产品质量问题或未按双方确认后的要求生产,可调换或退款。如无质量问题,且发货型号与合同签订型号完整无误,则不提供退换货服务。
4. 返厂维修的产品将在3个工作日内出具检测结果,7个工作日内完成维修。
售后咨询
技术咨询、返厂维修、发票、投诉建议等相关问题。售后服务热线021-51601181
地址:上海市宝山区顾村镇沪太路5018号梓坤科技园1号楼910室
24小时全国热线:400-7282-986
售前咨询热线:021-51602986
售后咨询热线:021-51601181
企业公众号
企业抖音号
企业视频号
企业微博
企业小红书